• Реклама

Мигают фары (+решение)

FIAT Grande Punto

Модераторы: 44., djfj

Мигают фары (+решение)

Сообщение cyklone 08 авг 2015, 22:43

Изредка при движении в тёмное время суток, а также на стоячей машине при включении света кратковременно моргают фары(вроде даже только левая со стороны водителя ) отследить невозможно ,уж больно редко это происходит.Что может быть ?Где ковырять?
cyklone
Punto - Маньяк
 
Сообщения: 157
Зарегистрирован: 03 окт 2012, 07:08
Откуда: г.Москва
Авто: Grande Punto 5d

Мигают фары

Сообщение evgen58rus 09 авг 2015, 08:22

У меня моргают фары ближнего,обе,тогда когда рычаг включения поворотников сам отскакивает на место. Так же постукиванием по этому рычагу вызывает данную проблему. Предполагаю что это крутилка на включение габаритов и ближнего.
evgen58rus
Пользователь
 
Сообщения: 34
Зарегистрирован: 29 ноя 2012, 17:56
Откуда: Пензенская обл., г. Заречный
Авто: FGP 5D 2008

Мигают фары

Сообщение cyklone 01 сен 2015, 12:15

evgen58rus писал(а):У меня моргают фары ближнего,обе,тогда когда рычаг включения поворотников сам отскакивает на место. Так же постукиванием по этому рычагу вызывает данную проблему. Предполагаю что это крутилка на включение габаритов и ближнего.

Да,именно так и есть,а еще при включении поворотников...моргают обе фары.Как решить эту проблему? Замена рычага?
cyklone
Punto - Маньяк
 
Сообщения: 157
Зарегистрирован: 03 окт 2012, 07:08
Откуда: г.Москва
Авто: Grande Punto 5d

Мигают фары

Сообщение pavm 16 сен 2015, 14:19

Всем привет. Такая же беда. Разобрал рулевую колонку, снял переключатель поворотников. Разбор механизма ничего не дал(там всё неразборное). Подогнул чуток тонкие контакты на рычажке которые торчат из механизма и при установке переключателя на место соприкасаются с дорожками на плате рулевой колонки. Всё собрал. Вроде помогло...моргания не замечено. Только один ньюанс...один контакт(самый нижний при установленном выключателе) трогать нежелательно, я его тоже подогнул и получил постоянный включенный дальний свет. Снова разобрал...постарался вернуть его как было и псё. Езжу неделю-проблема ушла.
pavm
Новичок
 
Сообщения: 2
Зарегистрирован: 23 авг 2015, 10:47
Авто: fiat grande punto

Мигают фары

Сообщение evgen58rus 26 сен 2015, 08:24

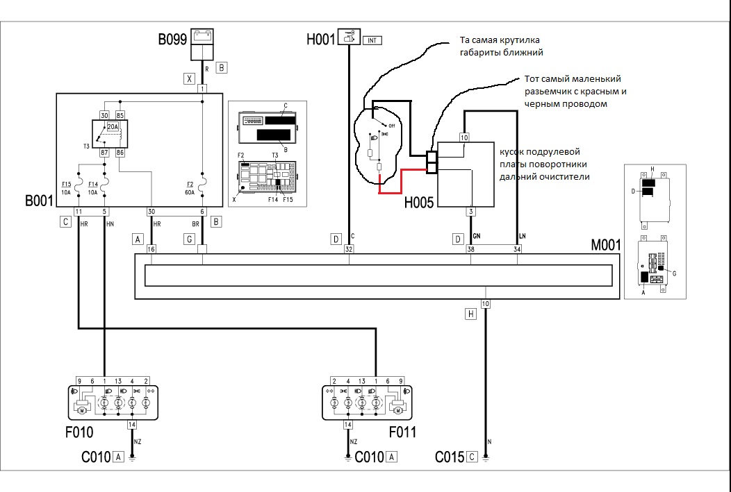
По ходу снятия рычажка приходится отключать разъем (внутри подрулевого,на сколько помню там красный и черный провода) идущего к "крутилке" ближний/габариты,возможна ваша проблема была в этом разъеме (типа плохой контакт). я туда (в подрулевой) лазил очень много,восстанавливал дорожки по которым ползают 4 контакта(поворотники моргали как китайская гирлянда),но плохой контакт этого разъемчика мне не решил проблему с морганием ближнего. версия о неисправной "крутилке" пока для моего случая единственная...а может и нет...
evgen58rus
Пользователь
 
Сообщения: 34
Зарегистрирован: 29 ноя 2012, 17:56
Откуда: Пензенская обл., г. Заречный
Авто: FGP 5D 2008

Мигают фары

Сообщение pavm 26 сен 2015, 21:39

evgen58rus писал(а):По ходу снятия рычажка приходится отключать разъем (внутри подрулевого,на сколько помню там красный и черный провода) идущего к "крутилке" ближний/габариты,возможна ваша проблема была в этом разъеме (типа плохой контакт). я туда (в подрулевой) лазил очень много,восстанавливал дорожки по которым ползают 4 контакта(поворотники моргали как китайская гирлянда),но плохой контакт этого разъемчика мне не решил проблему с морганием ближнего. версия о неисправной "крутилке" пока для моего случая единственная...а может и нет...


я разбирал/собирал всё это раз 30(был постоянный вкл. ближний свет-переломился черный проводок, потом я по незнанке порвал подрулевой шлейф) и после я получил моргание ближнего света фар. Дорожки я протёр от смазки, и подогнул 3 верних контакта для большего соприкосновения с платой. После этих манипуляций моргания ближнего света фар не наблюдается(уже вот недели 3). Не берусь утверждать что мои действия являются решением проблемы,НО у меня всё стало работать нормально.
pavm
Новичок
 
Сообщения: 2
Зарегистрирован: 23 авг 2015, 10:47
Авто: fiat grande punto

Мигают фары

Сообщение evgen58rus 27 сен 2015, 07:51

так так,давайте разбираться,подрулевой шлейф не связан со светом ни как. шлейф для гуделки,подушки и в моем случае кнопки для магнитолы. а к плате подрулевых рычагов идет отдельный разъем с проводами или имеется ввиду,что вы его порвали? Вот мне кажется как должна выглядеть схема, то есть в рычаге присутствует небольшая схема два резистора и два контакта. но это только мое мнение))) блин увидеть бы что там,много раз хотел разобрать,да как то страшно уж больно....((( у меня кстати вспомнил что то там в рычаге гремит,похоже на кусок пластмассы или типа того...
Вложения
Е2011(Ближний свет) — копия копия.jpg
evgen58rus
Пользователь
 
Сообщения: 34
Зарегистрирован: 29 ноя 2012, 17:56
Откуда: Пензенская обл., г. Заречный
Авто: FGP 5D 2008

Мигают фары

Сообщение cyklone 08 окт 2015, 10:34

Задолбался ездить с моргающими фарами,плюнул и купил новый переключатель в сборе,все стало отлично))заодно обнаружил функцию follow me home,три года езжу узнал о ней только сейчас...
cyklone
Punto - Маньяк
 
Сообщения: 157
Зарегистрирован: 03 окт 2012, 07:08
Откуда: г.Москва
Авто: Grande Punto 5d

Мигают фары

Сообщение evgen58rus 11 окт 2015, 06:29

cyklone писал(а):Задолбался ездить с моргающими фарами,плюнул и купил новый переключатель в сборе,все стало отлично))заодно обнаружил функцию follow me home,три года езжу узнал о ней только сейчас...

тогда вы можете разобрать старый рычаг без ущерба и поведать в массы что там)))
evgen58rus
Пользователь
 
Сообщения: 34
Зарегистрирован: 29 ноя 2012, 17:56
Откуда: Пензенская обл., г. Заречный
Авто: FGP 5D 2008

Мигают фары

Сообщение MethodM4N 11 окт 2015, 16:02

cyklone писал(а):Задолбался ездить с моргающими фарами,плюнул и купил новый переключатель в сборе,все стало отлично))заодно обнаружил функцию follow me home,три года езжу узнал о ней только сейчас...

Что за функция???
MethodM4N
Punto-вод со стажем
 
Сообщения: 145
Зарегистрирован: 01 июн 2015, 17:55
Авто: Fiat Grande Punto 3d 77 л.с. Emotion

Мигают фары

Сообщение Ivan-T 11 окт 2015, 20:31

MethodM4N писал(а):
cyklone писал(а):Задолбался ездить с моргающими фарами,плюнул и купил новый переключатель в сборе,все стало отлично))заодно обнаружил функцию follow me home,три года езжу узнал о ней только сейчас...

Что за функция???

С выключенном зажиганием нажимаешь "моргать дальним" и свет горит 30 сек., нажимаешь еще раз - горит 60 сек.

ЗЫ. Руководство по эксплуатации машины рулит
Аватара пользователя
Ivan-T
пунтоватый
 
Сообщения: 1030
Зарегистрирован: 08 мар 2015, 00:46
Откуда: Тверь
Авто: Grande Punto 3dr

Мигают фары

Сообщение evgen58rus 05 июн 2016, 08:27

Давно не знал проблем с морганием ближнего, но вот опять началось, все моргания в моем случае связаны с троганием ручки поворотников. Ну так есть те кто победил эту проблему или все просто новый подрулевой покупают??
evgen58rus
Пользователь
 
Сообщения: 34
Зарегистрирован: 29 ноя 2012, 17:56
Откуда: Пензенская обл., г. Заречный
Авто: FGP 5D 2008

Мигают фары

Сообщение Ivan-T 05 июн 2016, 22:38

Почему сразу заменой, кто то вроде писал что разбирал ручку и что то ремонтировал в ней.
Аватара пользователя
Ivan-T
пунтоватый
 
Сообщения: 1030
Зарегистрирован: 08 мар 2015, 00:46
Откуда: Тверь
Авто: Grande Punto 3dr

Мигают фары

Сообщение evgen58rus 22 июл 2016, 10:12

Вот решение https://www.drive2.ru/l/9710396/
evgen58rus
Пользователь
 
Сообщения: 34
Зарегистрирован: 29 ноя 2012, 17:56
Откуда: Пензенская обл., г. Заречный
Авто: FGP 5D 2008

Мигают фары

Сообщение Ivan-T 22 июл 2016, 11:32

А как снимается та часть которая крутится, ну то есть именно та которой свет включается? Просто сдергивается?
Аватара пользователя
Ivan-T
пунтоватый
 
Сообщения: 1030
Зарегистрирован: 08 мар 2015, 00:46
Откуда: Тверь
Авто: Grande Punto 3dr

След.

Вернуться в Автозвук и электрооборудование

Кто сейчас на конференции

Сейчас этот форум просматривают: нет зарегистрированных пользователей и гости: 1

cron