• Реклама

КПП-робот CHECK TRANSMISSION

FIAT Grande Punto

Модераторы: 44., djfj

КПП-робот CHECK TRANSMISSION

Сообщение wind 19 сен 2012, 21:42

SergZX писал(а):wind
так и не нашёл я такой герметик.. решил купить невысыхающий масло-бензостойкий несиликоновый герметик Permatex Form A Gasket Sealant.. ссылка
тоже фуфло? или покатит?

ещё купить фиксатор резьбы такой, думаю тоже не лишнее.. а может и лишнее..



ну неизвестными фиксатором резьбы пользоваться не советую ... ... некоторые фиксаторы на столько сильно прихватывают, что быстрее свернете шляпку чем открутите болт ... на шпильках обычно идет герметик, а не фиксатор резьбы

по поводу герметика я уже писал что подойдет любой маслостойкий герметик прокладок
wind
пунтоватый
 
Сообщения: 2731
Зарегистрирован: 08 дек 2009, 22:06
Авто: Пунто у меня нету..

КПП-робот CHECK TRANSMISSION

Сообщение SergZX 21 сен 2012, 08:28

да вообще фиксатор тоже перматекс..
ладно, буду тем герметиком мазать.. вроде подходит.. снимал верхушку, фланцы дополнительно промазал герметиком, собрал



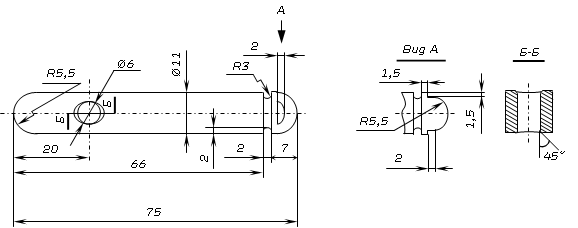
в чертеже косяк кстати!

в общем, обновил, выложил
лучше токарю отдавайте с оригинальным образцом, чтоб если что он сравнивал.. а то может ещё где накосячил.. мне уже сделали, вроде нормально

ссылка на док
Вложения
шток_.png
чертёж штока (исправленный)
▄▀▄▀▄▀▄█▓▒░ F I A T ░▒▓█▄▀▄▀▄▀▄
Аватара пользователя
SergZX
пунтоватый
 
Сообщения: 1256
Зарегистрирован: 15 дек 2009, 09:31
Откуда: 59, 159/66, 96
Авто: GP 1.4v8MTA (продан), i30 1.6v16AT, cee'd jd 1.6v16MT

КПП-робот CHECK TRANSMISSION

Сообщение vermin 21 сен 2012, 10:37

А где косяк то? в том что фаска на головке не с той стороны? Да и хрен с ней(не представляю зачем она вообще нужна, можно было бы предположить, что под ключ рожковый, но шток ведь не крутится!), главное основные размеры чтобы верными были. В вордовом документе кстати ошибка, там вместо размера 66мм стоит 666(ууу...страшно!!! :D ). Тебе сделали по чертежу? Вроде говорил, что наваривать оригинал отдал?! :?

ЗЫ: А я фотку со штоками из мануала по замене манжет приложил к чертежу :)
Аватара пользователя
vermin
пунтоватый
 
Сообщения: 1107
Зарегистрирован: 20 май 2010, 20:45
Откуда: Набережные Челны
Авто: Grande Punto,Dynamic 5D 1.4 V8 робот

КПП-робот CHECK TRANSMISSION

Сообщение SergZX 21 сен 2012, 15:25

ну, мало ли, может эта выточка втыкается как-то по особому в рычаг вилки.. хз
в общем, у меня она получилась выше (не 2 мм, а около 3-3,5)..

металл родного штока довольно мягкий, потому как стачивается напильником ровно так же, как и тот металл, из которого мне сделали шток (кстати, даже два сделали).. такие пироги..
единственное что - родной шток чем-то ещё дополнительно обработан.. что-то типа хромирования.. видимо чтобы не ржавел

сначала отдал наваривать.. потом решил, что лучше новый сделать

фотка в мануале растянута по ширине раза в полтора


ЗЫ: такая штука.. начал ставить один из штоков - штифт датчика стало закусывать (начал тереться о внутреннюю поверхность в отверстии штока) при его установке вместе со штоком в цилиндре.. шток при этом встал колом.. думаю на работу штока это обстоятельство бы повлияло не в лучшую сторону (при выжиме он немного отклоняется от перпендикулярного положения), да и штифт может пострадать вместе с поршнем
в общем, надо наверное брать не 20 от торца, а поменьше чуть.. или точно на расстоянии 20 делать, потому как я думаю мы там со вторым маленько ошиблись, когда размечали отверстие... кое-у кого чертилка оказалась кривой :D
ну, если что, можно и такое отверстие немного рассверлить вдоль штока, чтоб не закусывало.. дырка в нём всё равно почти нефункциональна
сам шток перед установкой смазал смазкой тонким слоем, немного смазки в пыльник напихал, чтоб не ржавело, хз... может и лишнее.. ну выскрести её оттуда недолго, до тех пор пока не установлено всё на коробку :)
пыльник герметиком заклеил, сверху масло-бензостойким ещё покрыл место заклейки.. думаю ещё походит
▄▀▄▀▄▀▄█▓▒░ F I A T ░▒▓█▄▀▄▀▄▀▄
Аватара пользователя
SergZX
пунтоватый
 
Сообщения: 1256
Зарегистрирован: 15 дек 2009, 09:31
Откуда: 59, 159/66, 96
Авто: GP 1.4v8MTA (продан), i30 1.6v16AT, cee'd jd 1.6v16MT

КПП-робот CHECK TRANSMISSION

Сообщение wind 21 сен 2012, 19:36

просто когда вытачивали шток нужно было на 1-2мм делать длиннее ... т.к на 100% ровно за сверлить все равно не удастся .. лишнее точилось бы напильником

а дырка еще двигает потенциометр .. так что ее функционал под вопросом
Последний раз редактировалось wind 21 сен 2012, 19:44, всего редактировалось 2 раз(а).
wind
пунтоватый
 
Сообщения: 2731
Зарегистрирован: 08 дек 2009, 22:06
Авто: Пунто у меня нету..

КПП-робот CHECK TRANSMISSION

Сообщение SergZX 21 сен 2012, 19:40

да я уже подумал про это, но после того как выточили ))
ну, второй лучше сделали, более метко, так что нормально :)
в любом случае, проще отверстие рассверлить по длине наверное :? чтоб не мучаться с напильником

зато есть теперь вариант укоротить поршневую часть и засунуть в поршень стальной пятачок, чтобы поршень не снашивался.. а то аллюминий заметно мягче той стали, из которой сделан шток..
я правда в седло поршня тоже смазки пихнул, чтоб не на сухую тёрло об него ))

да я про дырку в штоке.. она там вообще только для того, чтобы штифт нормально стоял )


проводку кстати по цветам проводов в мануале (елерне) собирал.. вроде не ошибся.. ну, если только парой клапанов.. у них то ли цвета схеме не соответствуют, то ли схема не соответствует чему-то.. указан зелёно-белый, а там просто зелёный.. и т.п.
в общем, всё равно надо проверять после установки.. но наверное уже и после замены сцепы, подшипника с вилкой и втулками.. заодно и калибровку сделать
Последний раз редактировалось SergZX 21 сен 2012, 20:02, всего редактировалось 4 раз(а).
▄▀▄▀▄▀▄█▓▒░ F I A T ░▒▓█▄▀▄▀▄▀▄
Аватара пользователя
SergZX
пунтоватый
 
Сообщения: 1256
Зарегистрирован: 15 дек 2009, 09:31
Откуда: 59, 159/66, 96
Авто: GP 1.4v8MTA (продан), i30 1.6v16AT, cee'd jd 1.6v16MT

КПП-робот CHECK TRANSMISSION

Сообщение wind 21 сен 2012, 19:47

SergZX писал(а):
зато есть теперь вариант укоротить поршневую часть и засунуть в поршень стальной пятачок, чтобы поршень не снашивался.. а то аллюминий заметно мягче той стали, из которой сделан шток..
я правда в седло поршня тоже смазки пихнул, чтоб не на сухую тёрло об него ))


очень сложная у вас получается конструкция и если в процессе будут плавать расстояния (например из-за вываливания пяточка и вставания его в произвольном положении получите плавающий дефект ... я бы наварил имеющийся обточил и не морочился

ха-ха весь мир крутится вокруг дырки ! пошло но факт

SergZX писал(а):
да я про дырку в штоке.. она там вообще только для того, чтобы штифт нормально стоял )


и я про нее ,а штифт сверху концом двигает потенциометр
Последний раз редактировалось wind 21 сен 2012, 19:50, всего редактировалось 1 раз.
wind
пунтоватый
 
Сообщения: 2731
Зарегистрирован: 08 дек 2009, 22:06
Авто: Пунто у меня нету..

КПП-робот CHECK TRANSMISSION

Сообщение SergZX 21 сен 2012, 19:50

пятак всегда можно сделать по внутреннему диаметру поршня, чтобы входил только-только..
да и шток вроде на столько не отжимается, чтобы провиснуть и куда-то съехать..
ладно, всё равно всё уже собрано, протянуто, протёрто, зафиксировано.. осталось поставить и проверить

ну про конец и дырку я понял уже давно ))
просто она, которая в штоке, не нужна для определения показаний датчика.. движение штифту придаёт именно поршень.. как-то так
▄▀▄▀▄▀▄█▓▒░ F I A T ░▒▓█▄▀▄▀▄▀▄
Аватара пользователя
SergZX
пунтоватый
 
Сообщения: 1256
Зарегистрирован: 15 дек 2009, 09:31
Откуда: 59, 159/66, 96
Авто: GP 1.4v8MTA (продан), i30 1.6v16AT, cee'd jd 1.6v16MT

КПП-робот CHECK TRANSMISSION

Сообщение wind 21 сен 2012, 20:32

SergZX писал(а): движение штифту придаёт именно поршень.. как-то так


:oops: ну дааа .... вы правы ... :oops: както я стормозил ... давно не разбирал ... ну ничего скоро зима :D
wind
пунтоватый
 
Сообщения: 2731
Зарегистрирован: 08 дек 2009, 22:06
Авто: Пунто у меня нету..

КПП-робот CHECK TRANSMISSION

Сообщение vermin 21 сен 2012, 20:35

Что-то мои сообщения куда-то пропадают(
Еще раз, что-то не догоняю обо что трется штифт? об отверстие в штоке? а разве он не в натяг вставляется в него? диаметр штифта не 6 мм? Или штифт трется о края прорези в которой он ходит? :?
Аватара пользователя
vermin
пунтоватый
 
Сообщения: 1107
Зарегистрирован: 20 май 2010, 20:45
Откуда: Набережные Челны
Авто: Grande Punto,Dynamic 5D 1.4 V8 робот

КПП-робот CHECK TRANSMISSION

Сообщение SergZX 21 сен 2012, 21:57

wind
бывает )))

vermin
диаметр штифта миллиметра 1,5-2, он плотно вставляется в отверстие в поршне, а отверстие в штоке просто для того, чтобы штифт свободно в нём находился + видимо запас на износ упирающейся в поршень части или самого поршня
да, с одним из штоков у меня получилось, что штифт впритирку проходил в отверстии штока.. тут либо отверстие немного спилить вниз, либо другой шток.. поскольку круглого надфиля дома не оказалось, пришлось ставить другой шток, в котором отверстие было сделано точнее

после сборки вот заметил, что как-то туго всё уходит в крайнее положение, когда на шток давишь до упора (но это не из-за штока.. видимо манжета ещё не разработалась.. или смазать надо было чего-нибудь)

ещё есть мысль датчики (потенциометры) все сменить.. но что-то самый дешёвый стоит около 1000 рублей (по коду 219244240500).. жаба продохнуть не даст чую ))
от вазов интересно не подойдут датчики положения дроссельной заслонки? что-то никогда их в глаза не видел...
а то мало ли.. может из-за датчика какого глючить робот начал.. а я полез его разбирать-собирать


PS: перемерил центр отверстия штока - оно всё-таки 19 мм от торца, как я и думал изначально.... просто потом подумал, что всё-таки машиностроение.. кратные размеры и т.п. + возможный износ.... а хрен.. это фиат ))
а в том штоке, который не подошёл, отверстие на расстоянии 21 мм от торца получилось.. так что.. сверлите точнее :)
▄▀▄▀▄▀▄█▓▒░ F I A T ░▒▓█▄▀▄▀▄▀▄
Аватара пользователя
SergZX
пунтоватый
 
Сообщения: 1256
Зарегистрирован: 15 дек 2009, 09:31
Откуда: 59, 159/66, 96
Авто: GP 1.4v8MTA (продан), i30 1.6v16AT, cee'd jd 1.6v16MT

КПП-робот CHECK TRANSMISSION

Сообщение wind 21 сен 2012, 23:42

SergZX писал(а):ещё есть мысль датчики (потенциометры) все сменить.. но что-то самый дешёвый стоит около 1000 рублей (по коду 219244240500).. жаба продохнуть не даст чую ))

менять все смысла нету ... по статистике чаще наворачивается тот через который вытекает масло ... остальные както менять не приходилось
wind
пунтоватый
 
Сообщения: 2731
Зарегистрирован: 08 дек 2009, 22:06
Авто: Пунто у меня нету..

КПП-робот CHECK TRANSMISSION

Сообщение vermin 22 сен 2012, 08:21

Спасибо еще раз, наверное шток мой еще не начинали делать, ща поправлю чертеж.

ЗЫ: Тогда уж надо будет перезалить файл с чертежом исправленым, чтобы другие не мучились. ;)
Аватара пользователя
vermin
пунтоватый
 
Сообщения: 1107
Зарегистрирован: 20 май 2010, 20:45
Откуда: Набережные Челны
Авто: Grande Punto,Dynamic 5D 1.4 V8 робот

КПП-робот CHECK TRANSMISSION

Сообщение SergZX 22 сен 2012, 09:26

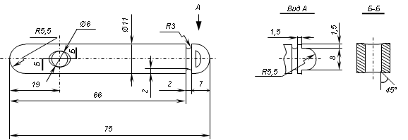
ты имеешь в виду 20 на 19 исправить?
▄▀▄▀▄▀▄█▓▒░ F I A T ░▒▓█▄▀▄▀▄▀▄
Аватара пользователя
SergZX
пунтоватый
 
Сообщения: 1256
Зарегистрирован: 15 дек 2009, 09:31
Откуда: 59, 159/66, 96
Авто: GP 1.4v8MTA (продан), i30 1.6v16AT, cee'd jd 1.6v16MT

КПП-робот CHECK TRANSMISSION

Сообщение SergZX 22 сен 2012, 09:28

wind писал(а):
SergZX писал(а):ещё есть мысль датчики (потенциометры) все сменить.. но что-то самый дешёвый стоит около 1000 рублей (по коду 219244240500).. жаба продохнуть не даст чую ))

менять все смысла нету ... по статистике чаще наворачивается тот через который вытекает масло ... остальные както менять не приходилось

меня больше беспокоит редуктор торцевого датчика.. который датчик положения рычага выбора передач.. под ним был нормальный такой слой герметика... видимо ранее он тёк и в сервисе кто-то напихал герметика.. то ли кольцо плохо прожимается, то ли что...
думаю вот теперь, что с ним делать - то ли тоже герметика туда, то ли ещё что-то.. только не знаю что..
если из сантехники что-то подобное только поискать, такое же кольцо, только потолще, чтоб прожало нормально.. но оно опять же резиновое.. а это не надолго


обновил чертёж, ссылка на doc
Вложения
шток_.png
чертёж штока сцепления dualogic (upd.#2)
▄▀▄▀▄▀▄█▓▒░ F I A T ░▒▓█▄▀▄▀▄▀▄
Аватара пользователя
SergZX
пунтоватый
 
Сообщения: 1256
Зарегистрирован: 15 дек 2009, 09:31
Откуда: 59, 159/66, 96
Авто: GP 1.4v8MTA (продан), i30 1.6v16AT, cee'd jd 1.6v16MT

Пред.След.

Вернуться в Двигатель, КПП, топливная система

Кто сейчас на конференции

Сейчас этот форум просматривают: Google [Bot] и гости: 1